Put the Jazz Control Board into Service Mode in Maytag, Jenn-Air, and Amana Refrigerators
About This Fix
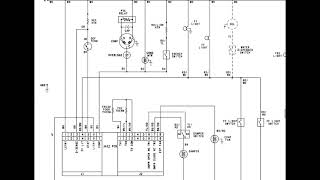
Learn how to put the Jazz control board into service mode in Maytag, Jenn-Air, and Amana refrigerators. The video demonstrates entering service mode for the Jazz control board on these refrigerator brands.
Need the Part for This Repair?
Enter your appliance model number to find the exact replacement part with fast shipping.
Reviews
No reviews yet. Be the first to review!
